
GT 型軸套聯(lián)軸器尺寸/mm
|
型號 |
d (H7) |
D |
L |
d1 |
d2 |
l |
k |
b1 |
b (C10) |
t |
C |
C1 |
質量 m /kg |
螺釘 |
圓錐銷 |
銷圈 |
|
|
基本 尺寸 |
偏差 |
||||||||||||||||
|
GT1 |
18 |
32 |
50 |
M6 |
4 |
12 |
2 |
1 |
6 |
20.8 |
±0.1 |
1 |
2 |
0.17 |
M6³12 |
4³32 |
27 |
|
GT2 |
20 |
35 |
22.8 |
1.5 |
0.252 |
4³35 |
30 |
||||||||||
|
GT3 |
22 |
38 |
60 |
15 |
24.8 |
0.274 |
4³38 |
32 |
|||||||||
|
GT4 |
25 |
42 |
75 |
M8 |
5 |
18 |
2.5 |
1.2 |
8 |
28.3 |
±0.2 |
0.48 |
M8³12 |
5³40 |
35 |
||
|
GT5 |
28 |
45 |
80 |
20 |
31.3 |
0.611 |
5³45 |
38 |
|||||||||
|
GT6 |
30 |
48 |
90 |
6 |
22 |
33.3 |
0.77 |
6³45 |
41 |
||||||||
|
GT7 |
32 |
52 |
95 |
24 |
10 |
35.3 |
2 |
0.985 |
6³50 |
41 |
|||||||
|
GT8 |
35 |
56 |
105 |
M10 |
26 |
3 |
1.6 |
38.3 |
2.5 |
1.23 |
M10³16 |
6³55 |
47 |
||||
|
GT9 |
38 |
62 |
115 |
8 |
28 |
41.3 |
1.6 |
8³60 |
54 |
||||||||
|
GT10 |
40 |
120 |
30 |
12 |
43.3 |
1.63 |
|||||||||||
|
GT11 |
42 |
70 |
45.3 |
1.765 |
8³70 |
62 |
|||||||||||
|
GT12 |
45 |
130 |
10 |
32 |
14 |
48.8 |
2.22 |
10³70 |
|||||||||
|
GT13 |
48 |
140 |
35 |
51.8 |
2.25 |
||||||||||||
|
GT14 |
50 |
80 |
150 |
40 |
53.8 |
3.62 |
M10³18 |
10³80 |
71 |
||||||||
|
GT15 |
55 |
90 |
165 |
16 |
59.3 |
2.5 |
3.145 |
10³90 |
|||||||||
|
GT16 |
60 |
180 |
12 |
45 |
18 |
64.4 |
3 |
4.96 |
12³90 |
81 |
|||||||
|
GT17 |
65 |
100 |
200 |
50 |
69.4 |
5.88 |
12³100 |
91 |
|||||||||
|
GT18 |
70 |
220 |
55 |
20 |
74.9 |
6.85 |
M12³22 |
||||||||||
|
GT19 |
75 |
110 |
M12 |
3.6 |
2.2 |
79.9 |
8.76 |
12³110 |
100 |
||||||||
|
GT20 |
80 |
120 |
240 |
16 |
60 |
22 |
85.4 |
12.19 |
16³120 |
110 |
|||||||
|
GT21 |
85 |
270 |
65 |
90.4 |
3 |
16.64 |
|||||||||||
|
GT22 |
90 |
130 |
25 |
95.4 |
17.12 |
16³130 |
120 |
||||||||||
聯(lián)軸套結構型式見下圖,主要尺寸見下表。

聯(lián)軸套尺寸/mm
|
型號 |
d (h7) |
D |
L |
d1 |
l |
R |
C |
C1 |
質量 m /kg |
圓錐銷 |
銷圈 |
|
GTL1 |
18 |
32 |
45 |
5 |
12 |
1 |
1.5 |
2 |
0.137 |
5³32 |
30 |
|
GTL2 |
22 |
35 |
50 |
0.215 |
5³35 |
32 |
|||||
|
GTL3 |
25 |
40 |
55 |
6 |
15 |
0.315 |
6³40 |
38 |
|||
|
GTL4 |
28 |
45 |
60 |
0.422 |
6³45 |
41 |
|||||
|
GTL5 |
30 |
65 |
1.5 |
2 |
0.42 |
6³50 |
41 |
||||
|
GTL6 |
32 |
50 |
70 |
20 |
0.621 |
||||||
|
GTL7 |
35 |
75 |
2.5 |
0.53 |
|||||||
|
GTL8 |
40 |
60 |
85 |
8 |
1.02 |
8³60 |
54 |
||||
|
GTL9 |
45 |
95 |
25 |
1.45 |
|||||||
|
GTL10 |
50 |
70 |
105 |
10 |
1.52 |
10³70 |
62 |
||||
|
GTL11 |
55 |
80 |
115 |
30 |
2.31 |
||||||
|
GTL12 |
60 |
125 |
2 |
2.5 |
3 |
2.17 |
10³80 |
75 |
|||
|
GTL13 |
70 |
90 |
160 |
40 |
2.91 |
10³80 |
86 |
||||
|
GTL14 |
80 |
100 |
180 |
12 |
45 |
3.91 |
12³100 |
91 |
|||
|
GTL15 |
90 |
120 |
200 |
50 |
7.72 |
12³120 |
115 |
花鍵聯(lián)軸套結構型式見下圖,主要尺寸見下表。

花鍵聯(lián)軸套尺寸/mm
|
型號 |
D |
d (H12) |
b (D9) |
Z |
a |
D1 |
d1 |
d2 |
d3 |
L |
L1 |
L2 |
b1 |
k |
C |
R |
質量 m /kg |
銷圈 |
螺釘 |
|
GTH1 |
20 |
17 |
6 |
4 |
45° |
35 |
21 |
M6 |
22 |
45 |
15 |
8 |
1 |
2 |
2 |
1 |
0.24 |
30 |
M6³10 |
|
GTH2 |
22 |
19 |
8 |
38 |
23 |
24 |
50 |
18 |
9 |
0.325 |
32 |
M6³12 |
|||||||
|
GTH3 |
25 |
21 |
5 |
6 |
30° |
42 |
26 |
27 |
60 |
20 |
10 |
1.2 |
2.5 |
0.55 |
35 |
M6³16 |
|||
|
GTH4 |
30 |
26 |
6 |
45 |
31 |
32 |
70 |
25 |
12 |
0.74 |
38 |
||||||||
|
GTH5 |
35 |
30 |
10 |
50 |
36 |
M8 |
37 |
80 |
30 |
15 |
1.6 |
3 |
2.5 |
1.5 |
0.85 |
47 |
M8³16 |
||
|
GTH6 |
40 |
35 |
62 |
41 |
42 |
90 |
35 |
18 |
1.115 |
54 |
|||||||||
|
GTH7 |
45 |
40 |
12 |
70 |
46 |
47 |
100 |
40 |
20 |
1.35 |
62 |
M8³20 |
|||||||
|
GTH8 |
50 |
45 |
80 |
51 |
52 |
110 |
45 |
22 |
1.62 |
71 |
|||||||||
|
GTH9 |
55 |
50 |
14 |
85 |
56 |
M10 |
57 |
120 |
50 |
25 |
3 |
2 |
2.55 |
76 |
M10³20 |
||||
|
GTH10 |
60 |
54 |
90 |
61 |
62 |
130 |
55 |
28 |
2.9 |
81 |
M10³25 |
||||||||
|
GTH11 |
65 |
58 |
16 |
95 |
66 |
67 |
140 |
60 |
30 |
3.34 |
86 |
||||||||
|
GTH12 |
70 |
62 |
100 |
71 |
72 |
150 |
65 |
32 |
4.71 |
91 |
|||||||||
|
GTH13 |
75 |
65 |
110 |
76 |
77 |
160 |
70 |
35 |
2.2 |
3.6 |
6.835 |
100 |
|||||||
|
GTH14 |
80 |
70 |
20 |
115 |
81 |
M12 |
82 |
180 |
80 |
40 |
8.17 |
105 |
M12³25 |
||||||
|
GTH15 |
90 |
80 |
125 |
91 |
92 |
200 |
90 |
45 |
9.280 |
115 |
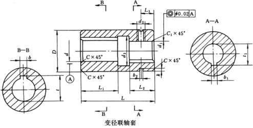
變徑聯(lián)軸套結構型式見下圖,主要尺寸見下表。

變徑聯(lián)軸套尺寸/mm
|
型號 |
d (H7) |
b (D10) |
t +0.1 |
d1 (H7) |
b1 (D10) |
t1 +0.1 |
D |
L |
L1 |
L2 |
L3 |
d2 |
k |
b2 |
d3 |
C |
C1 |
質量 m /kg |
螺釘 |
銷圈 |
|
GTB1 |
10 |
3 |
11.4 |
6 |
2 |
7 |
22 |
25 |
10 |
8 |
5 |
M5 |
1.8 |
1 |
14 |
1 |
0.6 |
0.071 |
M5³10 |
17 |
|
GTB2 |
12 |
5 |
14.3 |
11 |
4 |
12.8 |
25 |
40 |
16 |
15 |
8 |
16 |
1 |
0.135 |
20 |
|||||
|
GTB3 |
14 |
16.3 |
15 |
5 |
17.3 |
32 |
33 |
22 |
20 |
10 |
M6 |
2 |
22 |
0.330 |
M6³10 |
27 |
||||
|
GTB4 |
18 |
6 |
20.8 |
16 |
18.3 |
28 |
0.410 |
|||||||||||||
|
GTB5 |
22 |
24.8 |
20 |
6 |
33.8 |
36 |
60 |
23 |
M8 |
2.5 |
1.2 |
36 |
2 |
1.5 |
0.610 |
M8³12 |
32 |