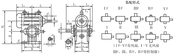
WHS系列蝸輪減速機(jī)安裝尺寸圖
m.eghtebas.com 格魯夫機(jī)械 2015-04-21 14:50:45
點(diǎn)擊:

|
A
|
L
|
L1
|
L2
|
L3
|
L4
|
H
|
H1
|
B
|
B1
|
C
|
C1
|
d
|
d1(gc1)
|
d2(gc1)
|
b
|
b1
|
t
|
t1
|
l1
|
l2
|
重量/kg
|
|
|
WHS120
|
120
|
250
|
240
|
145
|
229.5
|
136.5
|
160
|
406
|
275
|
230
|
215
|
190
|
M16
|
35
|
55
|
10
|
16
|
38.5
|
61.2
|
60
|
82
|
92~97
|
|
WHS125
|
125
|
235
|
235
|
145
|
225
|
134
|
160
|
416
|
270
|
230
|
210
|
190
|
M16
|
35
|
55
|
10
|
16
|
37.5
|
58.5
|
58
|
82
|
95~104
|
|
WHS150
|
150
|
300
|
280
|
165
|
270.5
|
153.5
|
200
|
495.5
|
320
|
260
|
240
|
210
|
M20
|
40
|
60
|
12
|
18
|
43.5
|
66.8
|
70
|
102
|
146~160
|
|
WHS160
|
160
|
290
|
290
|
165
|
265
|
154
|
200
|
510
|
330
|
270
|
250
|
220
|
M20
|
40
|
65
|
12
|
18
|
42.8
|
68.9
|
82
|
105
|
148~164
|
|
WHS180
|
180
|
375
|
295
|
180
|
319
|
169
|
230
|
575
|
385
|
290
|
305
|
240
|
M20
|
45
|
70
|
14
|
20
|
49
|
77.2
|
70
|
102
|
210~230
|
|
WHS200
|
200
|
360
|
345
|
195
|
365
|
184
|
250
|
643
|
430
|
320
|
330
|
270
|
M20
|
50
|
80
|
16
|
24
|
53.5
|
85
|
82
|
130
|
298~322
|
|
WHS210
|
210
|
420
|
335
|
200
|
354.5
|
194
|
270
|
665.5
|
440
|
330
|
350
|
270
|
M24
|
50
|
80
|
16
|
24
|
55
|
88.7
|
90
|
112
|
285
|
|
WHS250
|
250
|
430
|
370
|
220
|
417
|
214
|
310
|
762
|
510
|
370
|
410
|
310
|
M24
|
60
|
90
|
18
|
24
|
65.5
|
98.7
|
110
|
122
|
415~450
|
|
WHS280
|
280
|
485
|
430
|
245
|
485
|
233
|
320
|
839
|
610
|
410
|
480
|
340
|
M24
|
60
|
100
|
18
|
28
|
63.9
|
105.7
|
105
|
165
|
560~725
|
|
WHS300
|
300
|
580
|
410
|
250
|
497
|
242
|
350
|
906
|
620
|
410
|
510
|
340
|
M30
|
70
|
100
|
20
|
28
|
76
|
110
|
130
|
138
|
645~743
|
|
WHS320
|
320
|
525
|
455
|
265
|
525
|
256
|
355
|
951
|
680
|
460
|
550
|
380
|
M30
|
70
|
110
|
20
|
32
|
74.2
|
116.5
|
105
|
165
|
740~825
|
|
WHS360
|
360
|
668
|
480
|
270
|
549
|
267
|
400
|
1031
|
740
|
460
|
620
|
390
|
M30
|
80
|
120
|
24
|
32
|
87
|
131.2
|
160
|
178
|
896~990
|
|
WHS400
|
400
|
630
|
525
|
300
|
605
|
291
|
450
|
1173
|
820
|
540
|
660
|
450
|
M30
|
80
|
130
|
24
|
36
|
85
|
137.2
|
130
|
200
|
1305~1425
|
|
WHS420
|
420
|
745
|
535
|
310
|
687
|
299
|
460
|
1208
|
850
|
520
|
720
|
440
|
M30
|
90
|
130
|
24
|
36
|
97
|
142.3
|
160
|
198
|
1380~1530
|
|
WHS450
|
450
|
680
|
560
|
325
|
670
|
319
|
500
|
1312
|
910
|
590
|
730
|
490
|
M36
|
80
|
150
|
24
|
40
|
85
|
158.5
|
130
|
200
|
1650~1830
|
|
WHS500
|
500
|
730
|
625
|
355
|
725
|
348
|
560
|
1460
|
1000
|
640
|
810
|
530
|
M36
|
90
|
170
|
24
|
40
|
95
|
178.5
|
130
|
240
|
2070~2300
|