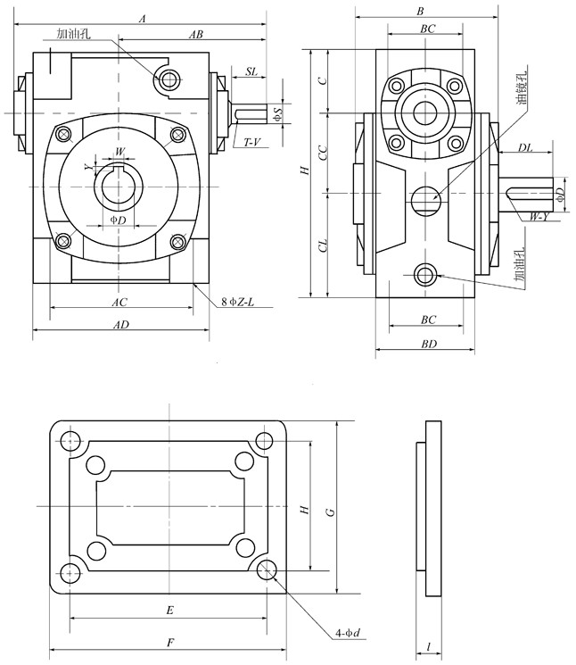
WS型蝸輪蝸桿減速器外形安裝尺寸
m.eghtebas.com 格魯夫機(jī)械 2015-04-21 10:07:47
點(diǎn)擊:
- WS型蝸輪蝸桿減速器外形安裝尺寸

WS萬用型蝸輪減速機(jī)
|
輸入軸
|
輸出軸
|
腳架A
|
|||||||||||||||||||||||||
|
型式
|
A
|
AB
|
AC
|
AD
|
B
|
BC
|
BD
|
C
|
CC
|
CL
|
H
|
L
|
φZ
|
SL
|
φS
|
T
|
V
|
OD
|
W
|
Y
|
DL
|
E
|
F
|
H
|
G
|
φd
|
I
|
|
WS-32
|
136
|
85
|
68
|
84
|
74
|
42
|
58
|
30
|
32
|
45
|
107
|
15
|
M6
|
25
|
12
|
4
|
2.5
|
15
|
5
|
2
|
30
|
84
|
120
|
80
|
100
|
10
|
15
|
|
WS-40
|
148
|
91
|
78
|
96
|
88
|
42
|
60
|
35
|
40
|
50
|
125
|
15
|
M6
|
25
|
12
|
4
|
2.5
|
17
|
5
|
2
|
30
|
96
|
130
|
80
|
100
|
10
|
15
|
|
WS-50
|
175
|
105
|
85
|
115
|
107
|
50
|
70
|
40
|
50
|
70
|
160
|
18
|
M6
|
30
|
12
|
4
|
2.5
|
20
|
5
|
2
|
35
|
115
|
140
|
95
|
120
|
10
|
15
|
|
WS-60
|
195
|
120
|
105
|
126
|
120
|
55
|
80
|
48
|
60
|
78
|
186
|
20
|
M8
|
40
|
15
|
5
|
3
|
25
|
7
|
3
|
45
|
126
|
150
|
105
|
130
|
10
|
18
|
|
WS-70
|
235
|
140
|
125
|
155
|
130
|
65
|
90
|
55
|
70
|
90
|
215
|
25
|
M10
|
40
|
18
|
5
|
3
|
30
|
7
|
3
|
60
|
155
|
190
|
115
|
150
|
12
|
18
|
|
WS-80
|
265
|
160
|
140
|
174
|
145
|
70
|
100
|
65
|
80
|
105
|
250
|
28
|
M12
|
50
|
22
|
7
|
4
|
35
|
10
|
3.5
|
65
|
174
|
220
|
135
|
170
|
14
|
20
|
|
WS-100
|
325
|
190
|
180
|
224
|
175
|
90
|
120
|
80
|
100
|
130
|
310
|
30
|
M12
|
50
|
25
|
7
|
4
|
40
|
10
|
3.5
|
75
|
224
|
270
|
155
|
190
|
14
|
22
|
|
WS-120
|
385
|
230
|
220
|
264
|
200
|
100
|
140
|
95
|
120
|
155
|
370
|
22
|
M14
|
65
|
30
|
7
|
4
|
45
|
12
|
3.5
|
85
|
264
|
320
|
180
|
230
|
14
|
25
|
|
WS-135
|
435
|
260
|
260
|
304
|
210
|
110
|
150
|
105
|
135
|
185
|
425
|
35
|
M16
|
75
|
35
|
10
|
4.5
|
60
|
15
|
5
|
95
|
304
|
350
|
200
|
250
|
18
|
30
|
|
WS-155
|
495
|
302
|
280
|
330
|
260
|
120
|
160
|
103
|
155
|
203
|
461
|
25
|
M16
|
85
|
40
|
10
|
4.5
|
70
|
18
|
6
|
110
|
330
|
380
|
220
|
280
|
18
|
32
|
|
WS-175
|
550
|
325
|
320
|
370
|
290
|
140
|
186
|
123
|
175
|
223
|
521
|
25
|
M16
|
85
|
45
|
12
|
4.5
|
80
|
20
|
6
|
110
|
370
|
410
|
250
|
310
|
18
|
32
|