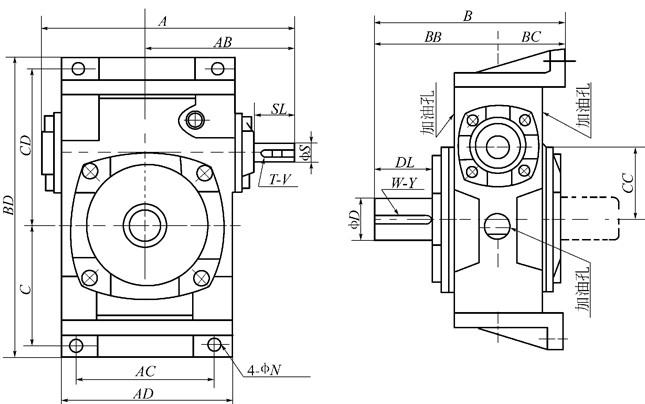
WL蝸輪蝸桿減速機(jī)安裝尺寸圖
m.eghtebas.com 格魯夫機(jī)械 2015-04-20 14:47:32
點(diǎn)擊:
- WL32蝸輪蝸桿減速機(jī)、WL40蝸輪蝸桿減速機(jī)、WL50蝸輪蝸桿減速機(jī)、WL60蝸輪蝸桿減速機(jī)、WL70蝸輪蝸桿減速機(jī)、WL80蝸輪蝸桿減速機(jī)、WL100蝸輪蝸桿減速機(jī)、WL120蝸輪蝸桿減速機(jī)、WL135蝸輪蝸桿減速機(jī)、WL155蝸輪蝸桿減速機(jī)、WL175蝸輪蝸桿減速機(jī)、型蝸輪蝸桿減速機(jī)外形安裝尺寸

|
輸入軸 |
輸出軸
|
|||||||||||||||||||
|
型式
|
A
|
AB
|
AC
|
AD
|
B
|
BB
|
BC
|
BD
|
C
|
CB
|
CC
|
φN
|
SL
|
φS
|
T
|
V
|
DL
|
φD
|
W
|
Y
|
|
WL-32
|
136
|
85
|
60
|
84
|
119
|
74
|
45
|
177
|
67
|
84
|
32
|
9
|
25
|
12
|
4
|
2.5
|
30
|
15
|
5
|
3
|
|
WL-40
|
148
|
91
|
70
|
96
|
123
|
78
|
45
|
195
|
72
|
97
|
40
|
9
|
25
|
12
|
4
|
2.5
|
30
|
17
|
5
|
3
|
|
WL-50
|
175
|
105
|
90
|
115
|
150
|
95
|
55
|
240
|
95
|
115
|
50
|
11
|
30
|
12
|
4
|
2.5
|
35
|
17
|
5
|
3
|
|
WL-60
|
195
|
120
|
100
|
125
|
172.5
|
110
|
62.5
|
270
|
105
|
135
|
60
|
11
|
40
|
15
|
5
|
3
|
45
|
22
|
7
|
4
|
|
WL-70
|
235
|
140
|
120
|
155
|
197.5
|
130
|
67.5
|
305
|
120
|
155
|
70
|
15
|
40
|
18
|
5
|
3
|
60
|
28
|
7
|
4
|
|
WL-80
|
265
|
160
|
140
|
174
|
215
|
140
|
75
|
350
|
140
|
180
|
80
|
15
|
50
|
22
|
7
|
4
|
65
|
32
|
10
|
4.5
|
|
WL-100
|
325
|
190
|
190
|
224
|
260
|
170
|
90
|
410
|
165
|
215
|
100
|
15
|
50
|
25
|
7
|
4
|
75
|
38
|
10
|
4.5
|
|
WL-120
|
385
|
230
|
220
|
264
|
290
|
190
|
100
|
490
|
195
|
255
|
120
|
18
|
65
|
30
|
7
|
4
|
85
|
45
|
12
|
4.5
|
|
WL-135
|
435
|
260
|
260
|
304
|
320
|
210
|
110
|
555
|
230
|
285
|
135
|
18
|
75
|
35
|
10
|
4.5
|
95
|
55
|
15
|
5
|
|
WL-155
|
495
|
302
|
290
|
336
|
387
|
252
|
135
|
600
|
250
|
305
|
155
|
20
|
85
|
40
|
10
|
4.5
|
110
|
60
|
15
|
5
|
|
WL-175
|
550
|
325
|
320
|
376
|
412
|
262
|
150
|
660
|
270
|
345
|
175
|
20
|
85
|
45
|
12
|
4.5
|
110
|
65
|
18
|
6
|