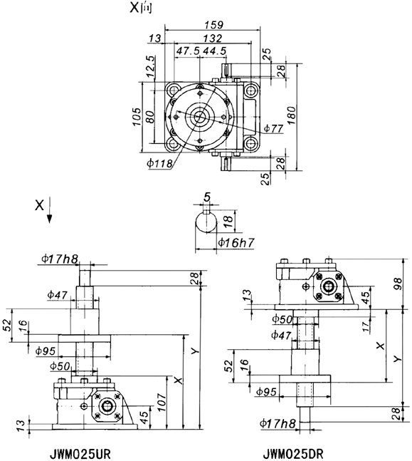
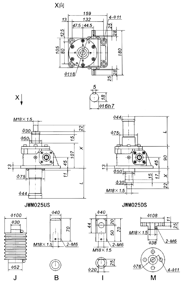
JWM025梯形絲杠升降機(jī)外形尺寸表
m.eghtebas.com 格魯夫機(jī)械 2015-04-20 08:56:41
點(diǎn)擊:


JWM025
|
行程(mm)
|
US
|
|||||
|
X
|
X⑴
|
L
|
m(kg)
|
|||
|
MIN
|
MAX
|
MIN
|
MAX
|
|||
|
100
|
132
|
232
|
147
|
247
|
149
|
7.7
|
|
200
|
132
|
332
|
147
|
347
|
249
|
8.1
|
|
300
|
132
|
432
|
167
|
467
|
369
|
8.5
|
|
400
|
132
|
532
|
167
|
567
|
469
|
8.9
|
|
500
|
132
|
632
|
187
|
687
|
589
|
9.4
|
|
600
|
132
|
732
|
187
|
787
|
689
|
9.8
|
|
800
|
132
|
932
|
207
|
1007
|
909
|
11
|
|
1000
|
132
|
1132
|
207
|
1227
|
1129
|
12
|
|
1200
|
132
|
1332
|
|
|
1344
|
13
|
|
行程(mm)
|
DS
|
|||||
|
X
|
X⑴
|
L
|
m(kg)
|
|||
|
MIN
|
MAX
|
MIN
|
MAX
|
|||
|
100
|
42
|
142
|
57
|
157
|
149
|
7.7
|
|
200
|
42
|
242
|
57
|
257
|
249
|
8.1
|
|
300
|
42
|
342
|
77
|
377
|
369
|
8.5
|
|
400
|
42
|
445
|
77
|
477
|
469
|
8.9
|
|
500
|
42
|
542
|
97
|
597
|
589
|
9.4
|
|
600
|
42
|
642
|
97
|
697
|
689
|
9.8
|
|
800
|
42
|
842
|
117
|
917
|
909
|
11
|
|
1000
|
42
|
1042
|
137
|
1137
|
1129
|
12
|
|
1200
|
42
|
1242
|
|
|
1344
|
13
|
|
行程(mm)
|
UR
|
|||
|
X
|
Y
|
m(kg)
|
||
|
MIN
|
MAX
|
|||
|
100
|
133
|
233
|
279
|
9.2
|
|
200
|
133
|
333
|
379
|
9.5
|
|
300
|
133
|
433
|
479
|
9.9
|
|
400
|
133
|
533
|
579
|
11
|
|
500
|
133
|
633
|
679
|
11
|
|
600
|
133
|
733
|
779
|
11
|
|
800
|
133
|
933
|
979
|
12
|
|
1000
|
133
|
1133
|
1179
|
13
|
|
1200
|
133
|
1333
|
1379
|
13
|
|
行程(mm)
|
DR
|
|||
|
X
|
Y
|
m(kg)
|
||
|
MIN
|
MAX
|
|||
|
100
|
79
|
179
|
189
|
9.2
|
|
200
|
79
|
279
|
289
|
9.5
|
|
300
|
79
|
379
|
389
|
9.9
|
|
400
|
79
|
479
|
489
|
11
|
|
500
|
79
|
579
|
589
|
11
|
|
600
|
79
|
679
|
689
|
11
|
|
800
|
79
|
879
|
889
|
12
|
|
1000
|
79
|
1079
|
1089
|
13
|
|
1200
|
79
|
1279
|
1389
|
13
|