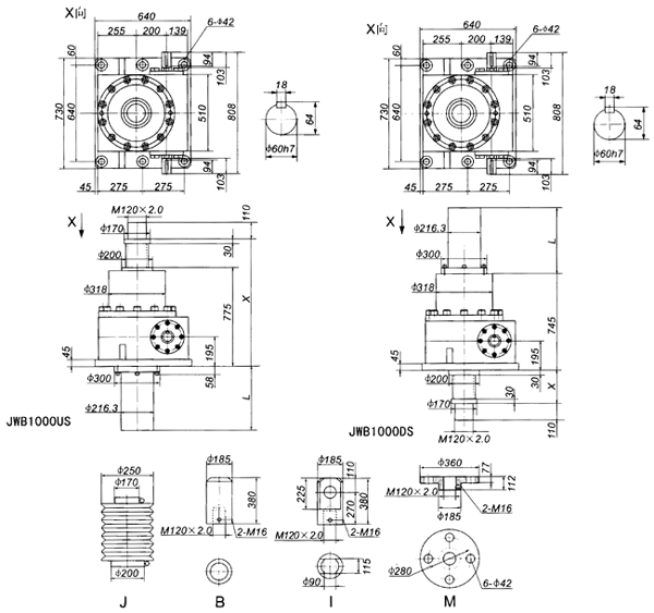
JWB1000滾珠絲桿升降機外形尺寸
m.eghtebas.com 格魯夫機械 2015-04-20 08:38:37
點擊:

JWB1000
|
行程(mm)
|
US
|
DS
|
m(kg)
|
||||||||
|
X
|
X⑴
|
L
|
X
|
X⑴
|
L
|
||||||
|
MIN
|
MAX
|
MIN
|
MAX
|
MIN
|
MAX
|
MIN
|
MAX
|
||||
|
100
|
815
|
915
|
825
|
925
|
197
|
70
|
170
|
80
|
180
|
197
|
926
|
|
200
|
815
|
1015
|
825
|
1025
|
297
|
70
|
270
|
80
|
280
|
297
|
943
|
|
300
|
815
|
1115
|
840
|
1140
|
412
|
70
|
370
|
95
|
395
|
412
|
962
|
|
400
|
815
|
1215
|
840
|
1240
|
512
|
70
|
470
|
95
|
495
|
512
|
979
|
|
500
|
815
|
1315
|
850
|
1350
|
622
|
70
|
570
|
105
|
605
|
622
|
997
|
|
600
|
815
|
1415
|
850
|
1450
|
722
|
70
|
670
|
105
|
705
|
722
|
1014
|
|
800
|
815
|
1615
|
865
|
1665
|
937
|
70
|
870
|
120
|
920
|
937
|
1049
|
關(guān)鍵詞:
行程