YDB型隔爆油冷式電動滾筒概述
該產品是供具有可燃性氣體、瓦斯、粉塵等形成的爆炸性混合物環(huán)境條件下所使用的輸送機械做驅動 裝置。隔爆標誌為dI、dIIAT4、dⅡBT4。dI適合於有甲烷或煤塵爆炸危險性混合物存在的礦井中,dⅡAT4適合於Ⅰ、ⅡA級T1-T4組爆炸危 險性混合物存在的場所,dIIBT4適合於Ⅰ,IIA、ⅡB級T1-T4組爆炸危險性混合物存在的場所??蓾M足各種逆止、包膠等要求。
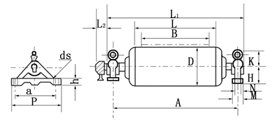
訂貨代號


|
D
|
B
|
A
|
L
|
L1
|
L2
|
H
|
M
|
N
|
P
|
Q
|
dS
|
h
|
L3
|
|
315
(320)
|
500
|
850
|
600
|
≤732
|
940
|
120
|
90
|
|
340
|
280
|
27
|
35
|
95
|
|
650
|
1000
|
750
|
≤882
|
1090
|
|||||||||
|
800
|
1300
|
950
|
≤1032
|
1390
|
|||||||||
|
400
|
500
|
850
|
600
|
≤744
|
940
|
120
|
90
|
|
340
|
280
|
27
|
35
|
95
|
|
650
|
1000
|
750
|
≤894
|
1090
|
|||||||||
|
800
|
1300
|
950
|
≤1044
|
1390
|
|||||||||
|
500
|
500
|
850
|
600/620
|
≤748
|
960
|
100
|
70
|
|
340
|
280
|
27
|
35
|
115
|
|
650
|
1000
|
750
|
≤900
|
1120
|
120
|
90
|
|||||||
|
800
|
1300
|
950
|
≤1100
|
1420
|
120
|
90
|
|||||||
|
630
|
650
|
1000
|
750
|
≤868
|
1120
|
120
|
90
|
|
340
|
280
|
27
|
35
|
≤140
|
|
800
|
1300
|
950
|
≤1068
|
1430
|
140
|
130
|
80
|
400
|
330
|
27
|
35
|
||
|
1000
|
1500
|
1150
|
≤1268
|
1630
|
140
|
130
|
80
|
400
|
330
|
27
|
35
|
||
|
1200
|
1750
|
1400
|
≤1514
|
1900
|
160
|
160
|
90
|
440
|
360
|
34
|
50
|
||
|
1400
|
2000
|
1600
|
≤1720
|
2150
|
160
|
160
|
90
|
440
|
360
|
34
|
50
|
||
|
800
|
1000
|
1500
|
1150
|
≤1268
|
1630
|
140
|
145
|
80
|
400
|
330
|
27
|
35
|
≤140
|
|
1200
|
1750
|
1400
|
≤1514
|
1900
|
160
|
160
|
90
|
440
|
360
|
34
|
50
|
||
|
1400
|
2000
|
1600
|
≤1720
|
2150
|
160
|
160
|
90
|
440
|
360
|
34
|
50
|
||
|
1000
|
1000
|
1500
|
1150
|
≤1268
|
1630
|
140
|
145
|
80
|
400
|
330
|
27
|
35
|
≤140
|
|
1200
|
1750
|
1400
|
≤1514
|
1900
|
160
|
160
|
90
|
440
|
360
|
34
|
50
|
||
|
1400
|
2000
|
1600
|
≤1720
|
2150
|
160
|
160
|
90
|
440
|
360
|
34
|
50
|
|
直徑(mm)
|
功率(kW)
|
帶寬(mm)
|
質量(Kg)
|
||||||||
|
0.8
|
1.0
|
1.25
|
1.6
|
2.0
|
2.5
|
3.15
|
4.0
|
||||
|
320
|
1.5
|
500
|
·
|
·
|
·
|
·
|
|
|
|
|
185
|
|
650
|
·
|
·
|
·
|
·
|
|
|
|
|
195
|
||
|
2.2
|
500
|
|
·
|
·
|
·
|
|
|
|
|
187
|
|
|
650
|
|
·
|
·
|
·
|
|
|
|
|
197
|
||
|
3
|
500
|
|
|
·
|
·
|
|
|
|
|
220
|
|
|
650
|
|
|
·
|
·
|
|
|
|
|
227
|
||
|
4
|
500
|
|
|
|
·
|
|
|
|
|
227
|
|
|
650
|
|
|
|
·
|
|
|
|
|
239
|
||
|
400
|
2.2
|
500
|
·
|
·
|
·
|
·
|
|
|
|
|
219
|
|
650
|
·
|
·
|
·
|
·
|
|
|
|
|
230
|
||
|
3
|
500
|
·
|
·
|
·
|
·
|
|
|
|
|
251
|
|
|
650
|
·
|
·
|
·
|
·
|
|
|
|
|
265
|
||
|
4
|
500
|
|
·
|
·
|
·
|
|
|
|
|
256
|
|
|
650
|
|
·
|
·
|
·
|
|
|
|
|
270
|
||
|
500
|
1.5
|
500
|
|
·
|
·
|
|
|
|
|
|
272
|
|
650
|
|
·
|
·
|
|
|
|
|
|
283
|
||
|
2.2
|
500
|
·
|
·
|
·
|
·
|
|
|
|
|
274
|
|
|
650
|
·
|
·
|
·
|
·
|
|
|
|
|
285
|
||
|
800
|
·
|
·
|
·
|
|
|
|
|
|
315
|
||
|
3
|
500
|
·
|
·
|
·
|
·
|
·
|
|
|
|
302
|
|
|
650
|
·
|
·
|
·
|
·
|
·
|
|
|
|
316
|
||
|
800
|
·
|
·
|
·
|
·
|
·
|
|
|
|
346
|
||
|
4
|
500
|
·
|
·
|
·
|
·
|
·
|
·
|
|
|
308
|
|
|
650
|
·
|
·
|
·
|
·
|
·
|
·
|
|
|
322
|
||
|
800
|
·
|
·
|
·
|
·
|
·
|
·
|
|
|
352
|
||
|
5.5
|
500
|
|
·
|
·
|
·
|
·
|
·
|
|
|
368
|
|
|
650
|
|
·
|
·
|
·
|
·
|
·
|
|
|
404
|
||
|
800
|
|
·
|
·
|
·
|
·
|
·
|
|
|
435
|
||
|
7.5
|
650
|
|
|
·
|
·
|
·
|
·
|
|
|
419
|
|
|
800
|
|
|
·
|
·
|
·
|
·
|
·
|
|
448
|
||
|
11
|
650
|
|
|
|
·
|
·
|
·
|
|
|
481
|
|
|
800
|
|
|
|
·
|
·
|
·
|
·
|
|
518
|
||
|
15
|
800
|
|
|
|
·
|
·
|
·
|
·
|
|
542
|
|
|
630
|
3
|
1000
|
|
|
·
|
|
|
|
|
|
529
|
|
4
|
1000
|
|
·
|
·
|
·
|
|
|
|
|
536
|
|
|
1200
|
|
|
·
|
|
|
|
|
|
590
|
||
|
5.5
|
800
|
|
·
|
·
|
·
|
·
|
|
|
|
577
|
|
|
1000
|
|
·
|
·
|
·
|
·
|
|
|
|
608
|
||
|
1200
|
|
·
|
·
|
·
|
·
|
·
|
|
|
678
|
||
|
7.5
|
800
|
|
·
|
·
|
·
|
·
|
|
|
|
592
|
|
|
1000
|
|
·
|
·
|
·
|
·
|
·
|
|
|
703
|
||
|
1200
|
|
·
|
·
|
·
|
·
|
·
|
|
|
692
|
||
|
11
|
650
|
|
|
·
|
·
|
|
|
|
|
613
|
|
|
800
|
|
|
·
|
·
|
·
|
|
|
|
679
|
||
|
1000
|
|
·
|
·
|
·
|
·
|
·
|
·
|
|
711
|
||
|
1200
|
|
·
|
·
|
·
|
·
|
·
|
|
|
781
|
||
|
15
|
800
|
|
|
|
·
|
·
|
|
|
|
697
|
|
|
1000
|
|
|
|
·
|
·
|
·
|
·
|
|
729
|
||
|
1200
|
|
|
|
·
|
·
|
·
|
·
|
·
|
799
|
||