
|
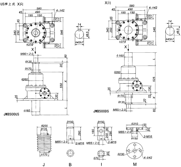
行程(mm)
|
US
|
DS
|
m(kg)
|
||||||||
|
X
|
X⑴
|
L
|
X
|
X⑴
|
L
|
||||||
|
MIN
|
MAX
|
MIN
|
MAX
|
MIN
|
MAX
|
MIN
|
MAX
|
||||
|
100
|
580
|
680
|
585
|
685
|
137
|
55
|
155
|
60
|
160
|
137
|
310
|
|
200
|
580
|
780
|
585
|
785
|
237
|
55
|
255
|
60
|
260
|
237
|
320
|
|
300
|
580
|
880
|
605
|
905
|
357
|
55
|
355
|
80
|
380
|
357
|
330
|
|
400
|
580
|
980
|
605
|
1005
|
457
|
55
|
455
|
80
|
480
|
457
|
340
|
|
500
|
580
|
1080
|
615
|
1115
|
567
|
55
|
555
|
90
|
590
|
567
|
350
|
|
600
|
580
|
1180
|
615
|
1215
|
667
|
55
|
655
|
90
|
690
|
667
|
359
|
|
800
|
580
|
1380
|
630
|
1430
|
882
|
55
|
855
|
105
|
905
|
882
|
378
|
|
1000
|
580
|
1580
|
645
|
1645
|
1097
|
55
|
1055
|
120
|
1120
|
1097
|
398
|