RF87減速機產品簡介及適用范圍



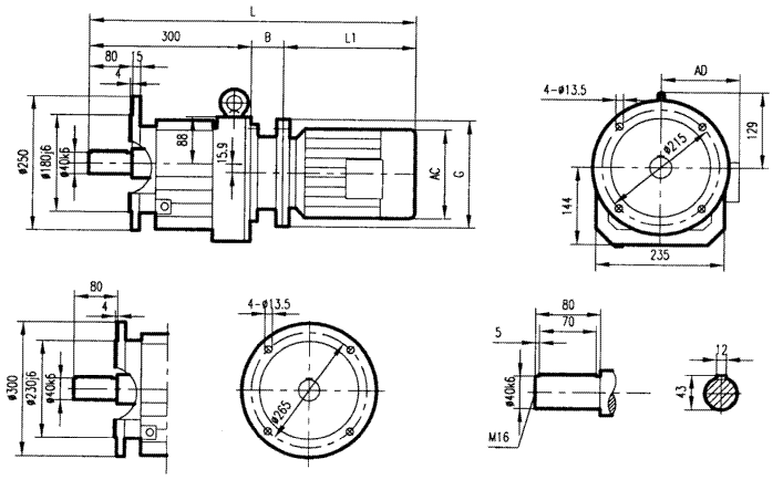
GRF87斜齒輪減速機安裝結構尺寸

|
電機機座號
|
80
|
90S
|
90L
|
100L
|
112M
|
132S
|
132M
|
160M
|
160L
|
180M
|
180L
|
|
AC
|
175
|
195
|
195
|
215
|
240
|
275
|
275
|
330
|
330
|
380
|
380
|
|
AD
|
145
|
155
|
155
|
180
|
190
|
210
|
210
|
255
|
255
|
280
|
280
|
|
B
|
70
|
70
|
70
|
82
|
82
|
92
|
92
|
130
|
130
|
130
|
130
|
|
G
|
200
|
200
|
200
|
250
|
250
|
300
|
300
|
350
|
350
|
350
|
350
|
|
L1
|
255
|
270
|
295
|
325
|
340
|
390
|
430
|
505
|
560
|
590
|
630
|
|
L
|
697
|
712
|
737
|
779
|
792
|
854
|
894
|
1007
|
1062
|
1092
|
1132
|